Series
C2.954-1
Sequence valves ND 4
with check valve
max. operating pressure 500 bar
max. operating pressure 500 bar
Information Series
Description
C 2.954 Sequence Valve ND 4
Sequence valves are used in power workholding circuits for pressure dependent sequence control. The compact size allows mounting directly to the clamping fixture, requiring only one pressure line from the power unit to the fixture for single-acting cylinders.
Accessories (1)
| Item no. | CAD data | Description |
|---|---|---|
|
Item no.
|
CAD data
|
Description
O-ring 7 x 1.5 mm, NBR
as per data sheet B1.5091
|
Loading…
Application example
Application example 1
The workpiece is to be positioned and clamped in the fixture with hydraulic clamping cylinders.
Clamping sequence
- Cylinder 1 pushes workpiece against stop a.
- Pressure rises to 30 bar, sequence valve opens.
- Cylinder 2 and 3 extend and push the workpiece against stop b and c.
- Oil pressure rises uniformly in all cylinders, because of the throttle-free passage of the opened sequence valve.
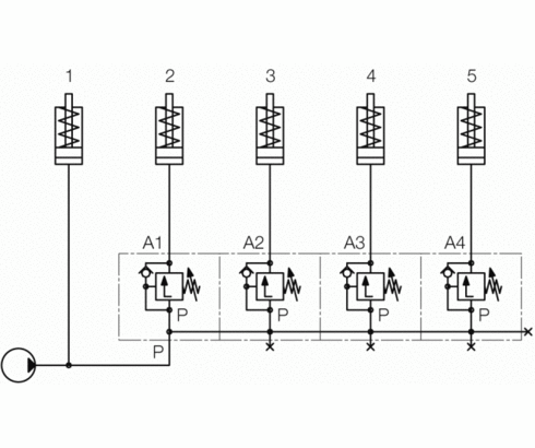
Application example 2
Sequence control for 5 single-acting clamping cylinders.
Registration
New here?
Take advantage of the free benefits of our login area:
- CAD data download
- Download operating instructions
Login
Welcome back
Welcome back! Log in to your already existing user account.
Loading…
Error loading CAD data. Please check your internet connection and try again.
Please note: Our CAD data are generally simplified data and primarily reflect the outer contour and connections of the product (see also Terms of use). Please always refer to the relevant catalogue sheet for the exact dimensions with tolerances, in particular the information on mounting holes or attachments such as special clamps.
Loading…
An unexpected error has occurred. Please reload the page or try again later.





